Master plan for a sustainable supply and disposal infrastructure of mega cities - Part I
Oct 12, 2006
This is the first contribution of a three-part series that deals with the following approach: "Master plan for a sustainable supply and disposal infrastructure of mega cities". It is motivated by the fact that, due to the immense growth of the congested urban areas, the quality and sustainability of the underground supply and disposal infrastructure is gaining more and more importance, which, however, hardly effects the way of their planning. The single installation of sewers and pipelines with all its disadvantages is still predominantly applied. The aim of the technical paper series at hand is to present alternatives which do not only meet the requirements of sustainable construction but which may also be of high economic benefit.
An important condition for the building and development of settlement structures is the existence of reliable, properly maintainable and adaptable supply and disposal systems for transporting and distributing fluids and gases – sometimes also solids – or of electric energy, data and pictures. With their help, individual plots, settlements, suburbs or regional areas are opened up or connected with each other and integrated into overall supply and disposal systems, called line networks in the following. Depending on the materials or media to be transported, one distinguishes between pipe and cable systems [1, 2].
The single installation of lines is historically caused by the difference in the times of beginning construction of the various line networks and the consequential granting of the contractually ensured rights for the supply and discharge undertakings without considering later developments. But even for new coverage areas, alternatives are often not considered due to ignorance or incompetence.
- Most of the underground lines form network systems, i.e. they are only fully functional as a unit. Interruptions at one point could affect whole areas.
- The individual underground installations are subject to individually defined planning and path fundamentals. As they are laid in parallel and crosswise, contact points occur constantly. Furthermore, several installations have negative effects on each other (e.g. electric cables – communication cables – gas lines – district heating lines) so that these points of contact must be specially considered in planning.
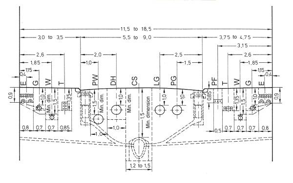
- The space requirement of the individual underground installations varies considerably. Wherever very large structures must be accommodated, the space for the remaining underground installations is greatly reduced. Careful coordination is therefore necessary.
- All underground installations are complex engineering constructions. Servicing measures (inspection, repairs, renovations, renewal) as well as adaptation and restoring works are usually only possible with large technical and financial means. All these measures often cause substantial hindrances in the traffic space.
- noise, vibration and emission loadings from construction site work and traffic diversions,
- impairments to parallel or crossing underground lines and above-ground structures and plantings, e.g. due to water retention measures,
- increase in the use of energy as well as loss of turnover and working time due to traffic diversion and
- safety risks for adjacent owners.
- The necessary removal of the excavation mass due to the restricted space available,
- The construction measures necessary to maintain a flow of traffic and the significant delays in construction due to this,
- The required opening up of the road surface and its replacement,
- Traffic measures including signposting,
- The erection of bridges over trenches for vehicles, pedestrians, etc.,
- The maintenance of drainage capability for gravity and pressurized sewers as well as the properties connected to the road drainage systems.
- The significant hindrance in executing the work due to existing supply lines which in an extreme case can go as far as having to re-install all lines already in the cross section of the road within the scope of sewer replacement measures (Figure 6).
- The development of glass-fibre technology with optical fibres which replace electric cables for the transmission of data.
- The lifting of the monopolies of the telecoms, which permits other undertakings to offer telecommunication services,
- Future developments in long-distance data transmission (Internet, digital TV, etc.) whose effects on the cabling measures cannot be foreseen yet,
- The change of materials for gas pipes even to plastic with the demand to remove old and polluting gas piping from the ground,
- The conversion from emission-loaded individual oil and coal-firing of building heating to piped energy systems such as natural gas or district heating,
- The re-utilization of large areas from industrial to dwelling and services use which make other capacity demands on the piped infrastructure.
- The seepage or utilization of rainwater whereby the flow-off areas of the sewers are insufficiently utilized with respect to hydraulics,
- The provision of separate water circuits for drinking and utility water as only approximately 2 % of the water use in the private sphere is used for drinking or cooking and more than 30 % is used for flushing toilets,
- The changing behaviour of users, for instance saving of electrical energy or drinking water for which purpose adaptation, closing down and, in an extreme case, removal measures will be required.
- The useful operation life for water pipes is approx. 40-60 years and for sewers it is 50-80 (100) years.
- The dimensioning of piping cross sections takes the expected increase in use into account.
- The forecasts for water usage and sewage remain constant over several generations.
- adapt their networks quickly and cheaply corresponding to their customer’s requirements,
- easily react to new technical developments, and
- to integrate new lines into the overall system.
Bibliography
[1] Stein, D.: Grabenloser Leitungsbau. Berlin: Ernst & Sohn, 2003.
[2] Stein, D.: Trenchless technology for utility networks – An important part of the development of mega-cities. Proceedings of the World Tunnel Congress`98 on Tunnels and Metropolises in Sao Paulo, Brazil, April 25th-30th, 1998 (Eds.: Negro, A., Ferreira, A. A.), 1247–1254. A.A. Balkema, Rotterdam/Brookfield, 1998.
[3] DIN 1998: Unterbringung von Leitungen und Anlagen in öffentlichen Flächen, Richtlinien für die Planung (1978).
[4] www.worldbank.org/data.
[5] www.unitracc.de. Company information Feuerstein - Gazit Engineers Ltd., Israel.
[6] Girnau, G.: Unterirdischer Städtebau. Düsseldorf: Ernst & Sohn, 1970.
[7] Stein, D.: Instandhaltung von Kanalisationen. 3rd edition, Berlin: Ernst & Sohn, 1998.
[8] Stein, D.: Erneuerung innerstädtischer Ver- und Entsorgungsleitungen durch Leitungsgänge. In: D. Stein (ed.), Der begehbare Leitungsgang, Beiträge zur Kanalisationstechnik, Vol. I, Berlin: Analytika, 1990, 9-24.
More News and Articles
Aug 07, 2025
News
Kanalgipfel 2025: Netzweite operative Bedarfsplanung mittels individuellem Sanierungskosten- und Entscheidungsmodell
Die Entwässerungssysteme unserer Städte sind ein wesentlicher Bestandteil des kommunalen Anlagevermögens. Die große Zukunftsaufgabe, …
May 26, 2025
News
Kanalgipfel 2025: Smart Processing – mit KI-Technologien von der Kanalinspektion bis zur Sanierungsstrategie
Die Entwässerungssysteme unserer Städte sind ein wesentlicher Bestandteil des kommunalen Anlagevermögens. Die große Zukunftsaufgabe, …
May 12, 2025
News
Kanalgipfel 2025: Stand der Kanalsanierung in Deutschland – Eine kritische Betrachtung
Die Entwässerungssysteme unserer Städte sind ein wesentlicher Bestandteil des kommunalen Anlagevermögens. Die große Zukunftsaufgabe, vor der viele Kommunen …
Aug 28, 2024
News
ITpipes Secures $20M to Transform Water Infrastructure Management
ITpipes announced it has secured $20 million in equity financing from Trilogy Search Partners and Miramar Equity Partners.
Known for its trusted and user-friendly platform, ITpipes …
Aug 26, 2024
News
Professor Dr.-Ing. Dietrich Stein
With deep sadness we announce the loss of our founder and partner Prof Dr Dietrich Stein at the age of 85.
Engineers around the globe are thankful for his dedication to the inventions in the fields of sewers, …
Aug 26, 2024
News
PPI Releases New Installation Guide for PE4710 Pipe
PPI’s MAB-11-2024 Covers HDPE Water Pipelines Up to 60-in. Diameter and 10,000-ft Long Pulls
Developed by the Municipal Advisory Board (MAB) – and published with the help of the members of the …
Aug 23, 2024
News
Faster wide-scale leak detection now within reach
Mass deployment of connected leak loggers is being made possible by the latest technology, writes Tony Gwynne, global leakage solutions director, Ovarro
Water companies in England and Wales are …
Aug 21, 2024
News
Kraken awakens customer service potential in water
The innovative customer service platform Kraken has made a successful transfer from energy to water. Ahead of their presentation at UKWIR’s annual conference, Portsmouth Water chief executive …
Aug 19, 2024
News
Predicting the toxicity of chemicals with AI
Researchers at Eawag and the Swiss Data Science Center have trained AI algorithms with a comprehensive ecotoxicological dataset. Now their machine learning models can predict how toxic chemicals are …
Aug 16, 2024
News
Goodbye water loss: Trenchless pipe renewal in Brazil
Pipe renewal in Brazil
How do you stop water loss through leaks in old pipe systems without major environmental impacts and restrictions? The answer: with trenchless technology, or more precisely …
Aug 14, 2024
Article
Impact of high-temperature heat storage on groundwater
In a recently launched project, the aquatic research institute Eawag is investigating how the use of borehole thermal energy storage (BTES) affects the surrounding soil, the groundwater …
Aug 12, 2024
News
Watercare completes East Coast Bays sewer link
Watercare has successfully finished the final connection on the East Coast Bays link sewer at Windsor Park in New Zealand.
Much of the East Coast Bays sewer link was installed using horizontal directional …
Contact
Dipl.-Ing. Robert Stein
44801 Bochum
Phone:
0234 / 51 67 - 0
Fax:
0234 / 51 67 - 109
